В наличии электродвигатели асинхронные: АВ-052-2М, ДАТ75-40-3, АВЕ-052-4М,
Посмотреть модель: АВ-052-2М, ДАТ75-40-3, АВЕ-052-4М.
ПРАЙС-1...
ПРАЙС-2...
ЭЛЕКТРОДВИГАТЕЛИ АСИНХРОННЫЕ, очень активно и широко применяются в самых различных отраслях сельского хозяйства и промышленности. Обычно двигатель используют в электроприводах подъёмно-транспортных машин и крановых механизмов, грузовых лебедок, металлорежущих и обрабатывающих станков, вентиляторов, насосов, компрессоров, транспортеров и т.д. По способу монтажа электродвигатели могут быть:
- с креплением фланцевым IM3601 и IM3602 (один или два вылета вала);
- с креплением на лапе IM1001 и IM1002 (один или два вылета вала).
АВ-052-2М, ДАТ75-40-3, АВЕ-052-4М.
АВ-052-2М, 2 вала, крепление лапы, 90Вт, 2800об/мин.


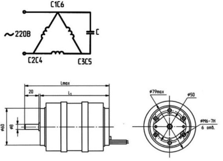
ДАТ75-40-3, 1 вал, крепление фланец, 40Вт, 2800об/мин, размер L1-116мм, размер Lmax-142мм, С-емкость конденсатора для запуска 5мкФ.


АВЕ-052-4М, 1 вал, крепление лапы, 60Вт, 1350об/мин.

